- Current Location:Home
- Product Center
- Product Screening
- Product Details
GX1831
Overview
The GX1831 digital thermometer provides temperature measurement with a 12 bit resolution and can achieve lower and upper temperature limit alarms through programmable non-volatile storage units. GX1831 uses a single bus protocol to communicate with the upper computer, requiring only one signal line and one ground line. Its temperature measurement range is -55 ℃~+125 ℃. The testing accuracy within the range of -10 ℃ to+70 ℃ can reach ± 0.4 ℃. In addition, it can also operate in parasitic mode, directly supplying power to the chip through signal lines without the need for additional power supply. Each GX1831 has a 64 bit serial number, which allows multiple GX1831s to be connected in series on the same single bus for networking. With just one processor, multiple GX1831s distributed over a large area can be controlled. This networking method is particularly suitable for HVAC environmental control, building, equipment, grain temperature measurement, industrial temperature measurement, and process monitoring and control applications.
feature
Using a single bus interface, only one port pin is needed for communication
Each chip has a 64 bit serial number
Equipped with multi-point distributed temperature measurement function
No need for peripheral components
Can be powered through a data cable; The power supply voltage range is 2.5V~5.5V
The measurement range is -55 ° C to+125 ° C (-67 ° F to+257 ° F)
3v, Transient peak current of 600uA for single temperature measurement during operation
3v, The average current measured once per second is only 0.9uA
Accuracy within the range of -10 ℃ to 70 ℃ is ± 0.4 ° C
At a maximum precision of 12 bits, the temperature conversion speed is less than 1.5ms
Has user-defined non-volatile temperature alarm settings
Alarm search command identifies and identifies devices that exceed the programmed temperature
Super electrostatic protection capability: HBM 8000V MM 800V
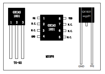
We can provide 3-pin TO92 package, 2-pin TO92S package, MSOP8 package, and DFN6 package for SMT
Applications include temperature control, industrial systems, consumer goods, wearable products, grain temperature measurement, thermometers, or any thermal sensing system

Product Parameters
| Working temperature range | -55℃~+125℃ | Maximum precision error | ±0.4℃ |
|---|---|---|---|
| Resolution | 9~12 bits | Working Voltage | 2.5V-5.5V |
| Convert time | 5ms | Number of addresses | Nnlimited |
| Standby Power Consumption | 0.75μA | Package form | TO92,TO92S-2 |

